简繁体
导航
首页
首页
政务资讯
领导之窗
政府信息公开
办事服务
互动交流
政府数据
走进裕安
首页
政务资讯
领导之窗
政府信息公开
办事服务
互动交流
政府数据
走进裕安
网站首页
>
政府信息公开
>
重大建设项目批准与实施
>
中煤六安电厂中水补给工程
>
批准结果
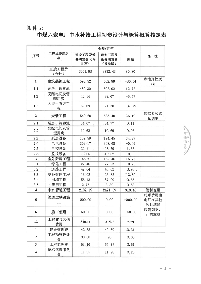
中煤六安电厂中水补给工程初步设计与概算的批复
发布日期:2025-03-25 11:13
信息来源:裕安区重点工程处
点击数:
我要纠错
保护视力色:
【字号:
大
中
小
】
标签:
扫一扫在手机打开当前页
打印本页
关闭窗口
关联信息
网站导航
政府部门
乡镇街