简繁体
导航
首页
首页
政务资讯
领导之窗
政府信息公开
办事服务
互动交流
政府数据
走进裕安
首页
政务资讯
领导之窗
政府信息公开
办事服务
互动交流
政府数据
走进裕安
网站首页
>
政府信息公开
>
重大建设项目批准与实施
>
裕安区公路铁路并行交汇路段安全防护能力专项行动改造工程
>
招标投标
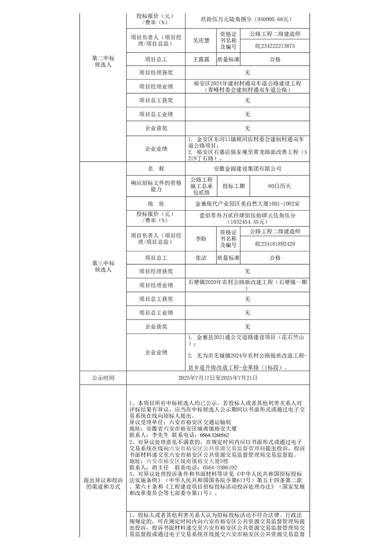
裕安区公路铁路并行交汇路段安全防护能力专项行动改造工程中标候选人公示
发布日期:2025-07-18 09:36
信息来源:裕安区交通局
点击数:
我要纠错
保护视力色:
【字号:
大
中
小
】
标签:
扫一扫在手机打开当前页
打印本页
关闭窗口
关联信息
网站导航
政府部门
乡镇街