简繁体
导航
首页
首页
政务资讯
领导之窗
政府信息公开
办事服务
互动交流
政府数据
走进裕安
首页
政务资讯
领导之窗
政府信息公开
办事服务
互动交流
政府数据
走进裕安
网站首页
>
政府信息公开
>
重大建设项目批准与实施
>
S330八字岗段改造工程项目
>
招标投标
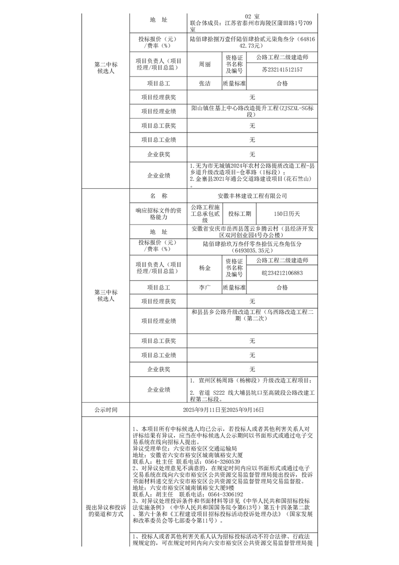
S330八字岗段改造工程项目中标候选人公示
发布日期:2025-09-17 15:53
信息来源:六安市政府办
点击数:
我要纠错
保护视力色:
【字号:
大
中
小
】
标签:
扫一扫在手机打开当前页
打印本页
关闭窗口
关联信息
网站导航
政府部门
乡镇街